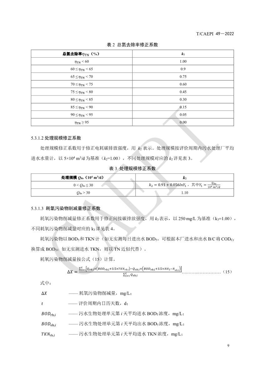
6月6日,中国环保产业协会发布团体标准《污水处理厂低碳运行评价技术规范》(CAEPI 49—2022),本标准规定了污水处理厂碳排放强度核算、低碳运行评价等内容。本标准规定了污水处理厂低碳运行评价的术语和定义、碳排放强度核算、低碳运行评价。本标准适用于污水处理厂碳排放强度核算和低碳运行水平评价。
关于发布《污水处理厂低碳运行评价技术规范》(CAEPI 49—2022)的公告
中国环境保护产业协会批准《污水处理厂低碳运行评价技术规范》(T/CAEPI 49—2022),现予公告。
中国环境保护产业协会
2022年6月6日




















